Показать еще
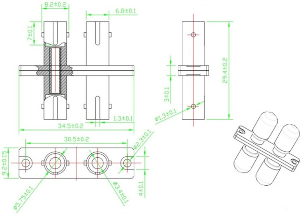
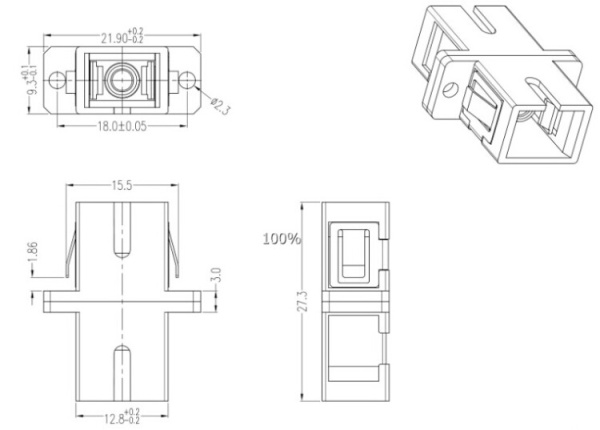
Оптические адаптеры Hyperline
26———
Оптические компоненты СКС
—EurolanPhoenix ContactАнтенныКабель Phoenix ContactКабель акустическийКабель витая пара (UTP, FTP)Кабель для видеонаблюденияКабель коаксиальный (RG)Кабель телефонныйКОМПЬЮТЕРНЫЕ АКСЕССУАРЫКронштейны и мачты для антеннМедные претерминированные сборкиОптический кабельПатч-кордыПатч-панелиПлинты, рамы и аксуссуары к плинтамПромышленные решенияРазветвители медныеРазноеРазъемы RJРазъемы, переходники, делители TVРозетки, адаптеры и модули KeystoneСпутниковое и цифровое ТВССДТелефонные розеткиУстройства протяжки кабеля УЗКШкафы и стойки телекоммуникационные 19"Шнуры ТВ,Аудио
Оптические адаптеры Hyperline
Каталог
-
Кабельно-проводниковая продукция
- NYM
- А, АС, МГ (Неизолированный провод)
- АВВГ, нг(А), нг(А)-LS, АВбШв (Кабель силовой с пластмассовой изоляцией алюминиевый)
- АПвБШп(г), АПвПуг, АПвВнг(А)-LS (кабель с изоляцией из сшитого полиэтилена)
- АСБл, ААБл, ААШв, СБл (Кабель силовой с бумажной пропитанной изоляцией)
- АсВВГнг(А)-LS (Кабель из алюминиевого сплава)
- БПВЛ (Провод авиационный)
- ВБШв, нг(А) (Кабель силовой медный с ПВХ изоляцией, бронированный)
- ВБШвнг(А)-LS (Кабель силовой медный с ПВХ изол. бронированный, с низким дымо- и газовыделением)
- ВВГ (Кабель силовой медный с ПВХ изоляцией)
- ВВГнг(А) (Кабель силовой медный с ПВХ изоляцией, не распространяющий горение)
- ВВГнг(А)-FRLS (Кабель огнестойкий медный, не распростр. горение, с низким дымо- и газовыделением)
- ВВГнг(А)-FRLSLTX (Кабель огнестойкий,не распростр. горение, с низк. дымо и газовыделен,низк. токсич)
- ВВГнг(А)-LS (Кабель силовой медный с ПВХ изоляцией, с низким дымо- и газовыделением)
- ВВГнг(А)-LSLTX (Кабель силовой, не распростр. горение, с низким дымо- и газовыделен.,низкой токсич.)
- ВВГЭнг(А)-LS (Кабель силовой медный, экраниров., с ПВХ изоляцией, с низким дымо- и газовыделением)
- ВПП, КВВ (Провод водопогружной)
- Кабель для СКС (витая пара)
- КВВГ, нг(А), нг(А)-LS, нг(А)-FRLS, КВВГЭ, нг(А), нг(А)-LS, нг(А)-FRLSLTX, нг(А)-LSLTX, КВБбШв,нг(А), нг(А)-LS (Кабель контрольный)
- КГ, КГтп, КГ-ХЛ, КГтп-ХЛ, КГН, РПШ (Кабель в резиновой изоляции)
- КГВВ, КГВВнг(А), КГВЭВнг(А), КГВВнг(А)-LS, КГВЭВнг(А)-LS (Кабель гибкий с ПВХ изоляцией)
- КИПЭВ, нг(А)-LS, КИПвЭП, КИПвЭВнг(А)-LS, КИПвЭнг(А)-HF, КСБнг(А)-FRLS (Кабели для промышленной автоматизации)
- КММ (Кабель микрофонный)
- КППГнг(А)-FRHF, КППГЭнг(А)-FRHF (Кабели контрольные, не распр. горен.с изол. и обол.из полим. комп.,не содер. галог)
- КППГнг(А)-HF, КППГЭнг(А)-HF (Кабель контрольный, изол. и оболочкой из полимерных композиций,не содер. галогенов)
-
КПСВ(Э)В(нг,LS,нг(А)-FRLS), КПСТ(Э)Тнг(А)-HF, J-Y(ST) (Кабель для систем пожарной сигнализации и видеонаблюдения)
- J-Y (ST) Y
- КПСВВ
- КПСВВнг(А)-LS
- КПСВВнг(А)-LS (Спецкабель)
- КПСВВнг(А)-LSLTX
- КПСВЭВ
- КПСВЭВнг(А)-LS
- КПСВЭВнг(А)-LS (Спецкабель)
- КПСВЭВнг(А)-LSLTX
- КПСнг(А)-FRHF
- КПСнг(А)-FRHF (Спецкабель)
- КПСнг(А)-FRLS
- КПСнг(А)-FRLS (Спецкабель)
- КПСнг(А)-FRLSLTX
- КПСТТнг(А)-HF
- КПСТЭТнг(А)-HF
- КПСЭнг(А)-FRHF
- КПСЭнг(А)-FRHF (Спецкабель)
- КПСЭнг(А)-FRLS
- КПСЭнг(А)-FRLS (Спецкабель)
- КПСЭнг(А)-FRLSLTX
- КСРВнг(А)-FRLS
- КСРПнг(А)-FRHF
- ЛОУТОКС
- КСБнг(А)-FRHF, КСБнг(А)-FRLS (Кабель для систем безопасности)
- КСПВ, КСВВ, МРМПЭ, ПКСВ, ПРППМ, ПТПЖ, П-274 (Кабель и провода связи)
- МКШ, МКЭШ, МКЭШвнг(А), МКЭШвнг(А)-LS,МКЭШвнг(А)-LSLTx, МГШВ, НВ, МЛТП (Провод монтажный)
- ПАВ (Провод ПАВ)
- ПВС, ПВСнг(А)-LS, ШВВП (Провода бытовые и шнуры соединительные)
- ПГВА (Провод автотракторный)
- ПНСВ (Провод прогревочный)
- ППГнг(А)-FRHF (Кабели огнест. силов.,не распр. горен.с изол. и обол.из полим. комп.,не содер. галог)
- ППГнг(А)-HF (Кабель силовой медный с изол. и оболочкой из полимерных композиций,не содер. галогенов)
- ППГЭнг(А)-FRHF (Кабели огнест. экраниров. силов.,не распр. горен.с изол. и обол.из полим. комп.,не содер. галог)
- ППГЭнг(А)-HF (Кабель силовой медный ,экраниров. с изол. и оболочкой из полимерных композиций,не содер. галогенов)
- ПуВ, ПуГВ, ПуВнг(А)-LS, ПуГВнг(А)-LS, ПуГВВ (Провода установочные)
- ПуГПнг(A)-HF (Провода установочные . не содер. галог.)
- РК, RG (Кабель радиочастотный)
- РКГМ, ПВКВ (Провод термостойкий)
- СИП (Самонесущий изолированный провод)
- ТППЭП, ЭПЗ, ЭПБШп, ТСВ, ТРП, ТПВ (Телефонные кабели и провода)
-
СКС и телеком
- Eurolan
- Phoenix Contact
- Антенны
- Кабель Phoenix Contact
- Кабель акустический
- Кабель витая пара (UTP, FTP)
- Кабель для видеонаблюдения
- Кабель коаксиальный (RG)
- Кабель телефонный
- КОМПЬЮТЕРНЫЕ АКСЕССУАРЫ
- Кронштейны и мачты для антенн
- Медные претерминированные сборки
-
Оптические компоненты СКС
- Аттенюаторы оптические Hyperline
- Кабельные сборки Hyperline
- Оптические адаптеры Hyperline
- Оптические кроссы Hyperline
- Оптические кроссы ITK
- Оптические патч-корды Hyperline
- Оптические патч-панели и компоненты
- Оптические разъемы Hyperline
- Патч-корды оптические ITK
- Патч-корды оптические СДС
- Сплиттеры оптические Hyperline
- Оптический кабель
- Патч-корды
- Патч-панели
- Плинты, рамы и аксуссуары к плинтам
- Промышленные решения
- Разветвители медные
- Разное
- Разъемы RJ
- Разъемы, переходники, делители TV
- Розетки, адаптеры и модули Keystone
- Спутниковое и цифровое ТВ
- ССД
- Телефонные розетки
- Устройства протяжки кабеля УЗК
-
Шкафы и стойки телекоммуникационные 19"
- Аксессуары для шкафов и стоек
- Стойки телекоммуникационные 19"
- Шкафы и стойки для IT-оборудования ABB
- Шкафы и стойки для IT-оборудования DKC
- Шкафы и стойки для IT-оборудования Legrand
- Шкафы и стойки для IT-оборудования Schneider Electric
- Шкафы и стойки для IT-оборудования СДС
- Шкафы и стойки Провенто
- Шкафы телекоммуникационные 19" антивандальные
- Шкафы телекоммуникационные 19" напольные
- Шкафы телекоммуникационные 19" настенные
- Шкафы телекоммуникационные 19" уличные
- Шнуры ТВ,Аудио
-
Светотехника
- Комплектующие, вспомогательное оборуд для светильников, управление освещением
- Лампы (источники света)
-
Ленты светодиодные
- Ленты светодиодные и комплектующие Arlight
- Ленты светодиодные и комплектующие EKF
- Ленты светодиодные и комплектующие Elektrostandard
- Ленты светодиодные и комплектующие Feron
- Ленты светодиодные и комплектующие Foton
- Ленты светодиодные и комплектующие Gauss
- Ленты светодиодные и комплектующие General
- Ленты светодиодные и комплектующие IEK
- Ленты светодиодные и комплектующие IN HOME
- Ленты светодиодные и комплектующие Jazzway
- Ленты светодиодные и комплектующие Ledvance
- Ленты светодиодные и комплектующие Navigator
- Ленты светодиодные и комплектующие Philips
- Ленты светодиодные и комплектующие SDSREXANT
- Ленты светодиодные и комплектующие TDM
- Ленты светодиодные и комплектующие UNIEL
- Ленты светодиодные и комплектующие VARTON
- Ленты светодиодные и комплектующие Световые Технологии
- Ленты светодиодные и комплектующие ЭРА
- Опоры и кронштейны
- Прожекторы
- Светильники (Осветительные приборы)
- Фонари
-
Кабеленесущие системы
- Кабельные каналы
-
Крепёж
- Крепёж Kranz
- Крепеж Navigator
- Крепёж REXANT
- Крепёж SORMAT
- Крепёж прочее
- Крепёж Росдюбель
- Крепёж РОССИЯ
- Крепеж, метизы Ecoplast
- Крепёж, метизы Fisher
- Крепеж, метизы PROFFIX
- Крепёж, метизы Tecfi
- Крепёж, метизы Tech-KREP
- Крепёж, метизы нержавеющая сталь А2 Tech-KREP
- Крепёж, метизы Промрукав
- Крепёжные системы OBO Bettermann
- Лотки кабельные металлические
- Металлорукав
-
Молниезащита и заземление
- Молниезащита и заземление ABB
- Молниезащита и заземление DKC
- Молниезащита и заземление EKF
- Молниезащита и заземление Ezetek
- Молниезащита и заземление Fortisflex
- Молниезащита и заземление IEK
- Молниезащита и заземление OBO Bettermann
- Молниезащита и заземление TDM
- Молниезащита и заземление КВТ
- Молниезащита и заземление КМ-профиль
- Молниезащита и заземление Прочее
- Молниезащита и заземление СЗИМ
-
Системы для прокладки кабеля в полах
- Напольные лючки Simon
- Напольные лючки ''In-Liner Front'' DKC
- Напольные лючки Schneider Electric
- Системы для прокладки кабеля в полах EKF
- Системы для прокладки кабеля в полах Kopos
- Системы для прокладки кабеля в полах Legrand
- Системы для прокладки кабеля в полах Schneider Electric
- Системы для прокладки кабеля в полах SPL
- Системы для прокладки кабеля в полах ИЭК
- Системы для прокладки кабеля в полах Экопласт
- Системы прокладки кабеля в полах OBO Bettermann
- Системы, препятствующие распространению огня
- Трубы и аксессуары
-
Материалы для монтажа
- Бирки кабельные
- Блоки зажимов ТС, ТК, ТВ, БЗН, БПВ
- Гильзы
- Дюбель хомуты
- Зажимы "крокодил"
-
Зажимы самоизолирующие (СИЗ)
- Зажим соединительный изолирующий Ecoplast
- Зажим соединительный изолирующий EKF
- Зажим соединительный изолирующий IN HOME
- Зажим соединительный изолирующий Navigator
- Зажим соединительный изолирующий REXANT
- Зажим соединительный изолирующий TDM
- Зажим соединительный изолирующий ИЭК
- Зажим соединительный изолирующий КВТ
- Зажим соединительный изолирующий ЭРА
- Зажимы-ответвители ЗПО
- Изделия для заземления оборудования
- Изоленты
- Капы термоусаживаемые
- Концевые изолирующие заглушки КИЗ
- Крепеж для кабеля
- Ленты монтажные
- Маркеры кабельные
- Муфты кабельные
-
Наконечники кабельные
- Наконечники кабельные ABB
- Наконечники кабельные DKC
- Наконечники кабельные EKF
- Наконечники кабельные Haupa
- Наконечники кабельные Legrand
- Наконечники кабельные Navigator
- Наконечники кабельные Phoenix Contact
- Наконечники кабельные Rexant
- Наконечники кабельные Schneider Electric
- Наконечники кабельные TDM
- Наконечники кабельные ЗЭТАРУС
- Наконечники кабельные ИЭК
- Наконечники кабельные КВТ
- Наконечники кабельные КЭАЗ
- Наконечники кабельные ЭРА
- Оплетки кабельные
- Ответвители серии ОВ
- Паста контактная электропроводящая
- Площадки под хомуты кабельные
- Протяжки для кабеля
- Разъемы штырьевые папа-мама
- Сжимы ответвительные
- Скобы пластиковые
-
Трубки термоусаживаемые
- Трубки термоусаживаемые ABB
- Трубки термоусаживаемые DKC
- Трубки термоусаживаемые EKF
- Трубки термоусаживаемые Haupa
- Трубки термоусаживаемые Navigator
- Трубки термоусаживаемые Phoenix Contact
- Трубки термоусаживаемые REXANT
- Трубки термоусаживаемые STEKKER
- Трубки термоусаживаемые TDM
- Трубки термоусаживаемые ЗЭТАРУС
- Трубки термоусаживаемые ИЭК
- Трубки термоусаживаемые КВТ
- Трубки термоусаживаемые Промрукав
- Трубки термоусаживаемые ЭРА
- Уплотнители кабельных проходов
- Устройства для протяжки и размотки кабеля
-
Хомуты кабельные
- Хомуты ABB
- Хомуты DEKraft
- Хомуты DKC
- Хомуты Ecoplast
- Хомуты EKF
- Хомуты Fortisflex
- Хомуты Haupa
- Хомуты IN HOME
- Хомуты Legrand
- Хомуты Navigator
- Хомуты Phoenix Contact
- Хомуты Rexant
- Хомуты Schneider Electric
- Хомуты STEKKER
- Хомуты TDM
- Хомуты Tech-KREP
- Хомуты ИЭК
- Хомуты КВТ
- Хомуты КЭАЗ
- Хомуты Промрукав
- Хомуты Росдюбель
- Хомуты ЭРА
-
Электрощитовое оборудование
-
Типовые НКУ
- Распределительные устройства для строительных площадок (РУСП)
- УКРМ (Устройства компенсации реактивной мощности)
- Щитки осветительные (ОЩВ)
- Щиты автоматического переключения (ЩАП)
- Щиты главной заземляющей шины (ГЗЩ)
- Ящик с понижающим трансформатором (ЯТП)
- Ящики с рубильниками (ЯБПВУ, ЯРВ, ЯРП)
- Ящики управления освещением (ЯУО)
-
Типовые НКУ
Заказать звонок
Оставить отзыв

